MinJin technology Co.,Ltd
The best solution provider
Company
Service
News
contact us
Products
DC JACK
AUDIO JACK
DIP
Top Mount
Mid Mount
Vertical
SMT
Cable Assembly
SPDIF
OPTO JACK
RJ45
SIM CARD & SD CARD
USB
WATERPROOF
Battery
D-SUB
CABLE GLAND
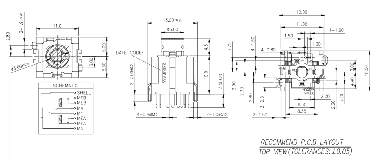
MJAJ-397FY700
PLUG:Ø3.5,3 pole
TYPE:DIP(Vertical)