MinJin technology Co.,Ltd
The best solution provider
Company
Service
News
contact us
Products
DC JACK
AUDIO JACK
SPDIF
OPTO JACK
RJ45
SIM CARD & SD CARD
USB
WATERPROOF
MJAJ-117035S4L1
MJAJ-250035DWLT
MJAJ-251035MWH7
MJDC-250026DWLS
MJUB-1790MCSWH1
MJUB-21703CDWHX
MJUB-22903CDWHX
Battery
D-SUB
CABLE GLAND
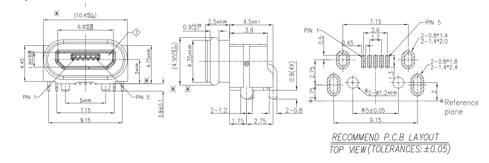
MJUB-1790MCSWH1
SPEC:MICRO USB B TYPE , Top-Mount
WATERPROOF:IP67