MinJin technology Co.,Ltd
The best solution provider
Company
Service
News
contact us
Products
DC JACK
AUDIO JACK
SPDIF
OPTO JACK
RJ45
SIM CARD & SD CARD
USB
WATERPROOF
Battery
D-SUB
MJDB-125009D1L1
MJDB-126009S1L1
MJHP12002-9M
MJDB-139009D1L1
MJDB-115XXXXXXXXLX
MJDB-128009D1L1
MJDB-116XXXXXXXXLX
MJDB-127X09D1LX
MJDB-117015D1H1
MJDB-129015D1L1
MJDB-119XXXXXNXXL1
MJDB-113025D1L1
CABLE GLAND
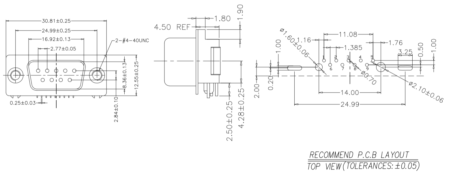
MJDB-128009D1L1
D-SUB male ; 9 pin
TYPE:DIP(Top Mount)